Dodaj produkty podając kody
Dodaj plik CSV
Wpisz kody produktów, które chcesz zbiorczo dodać do koszyka (po przecinku, ze spacją lub od nowej linijki).
Powtórzenie wielokrotnie kodu, doda ten towar tyle razy ile razy występuje.
Dane techniczne:
- Ciśnienie nominalne: MOP5 (5 bar) bar
- DN: 32
- Kod kreskowy: *W opakowanie z kodem kreskowym umożliwiającym sprzedaż detaliczną
- Materiał korpusu/materiał wykonania: mosiądz
- Materiał kuli: mosiądz
- Materiał uszczelnień kuli: PTFE
- Materiał uszczelnień trzpienia: podwójny o-ring NBR70
- Media: gaz
- NICKEL FREE: tak
- Przyłącze: 1 1/4"
- Rodzaj przyłączenia: nakrętno-wkrętny
- Rodzaj uchwytu: dźwignia
- Temperatura robocza: T2 (-20°C do 60°C) °C
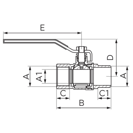
- Wymiar A: Rp1/1/4-R11/4
- Wymiar A1: 30.5
- Wymiar E: 129,5± 3
- Wymiar B: 101± 1
- Wymiar C: min.21,4/18,5
- Wymiar D: 72,3± 1
Marka
Symbol
K5KGN41
Rodzaj towaru
Zawory do gazu
EAN
5903738238491
Kod producenta
KGN41
Strona www producenta
www.ferro.pl
Zapytaj o produkt







