Dodaj produkty podając kody
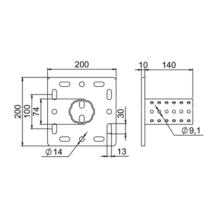
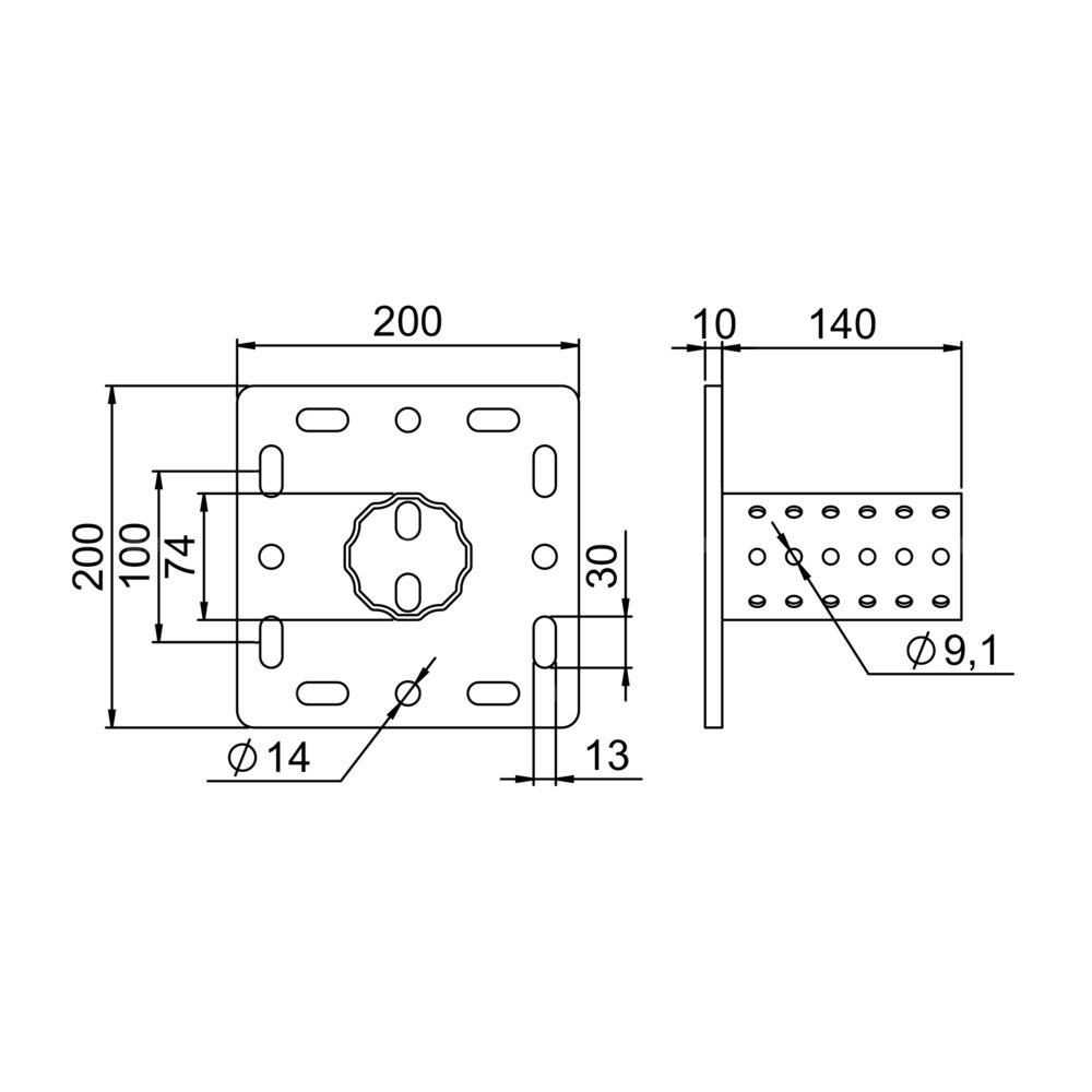
Zabezpieczenie antykorozyjne: ocynk ogniowy
Zastosowanie: Montaż z profilem konstrukcyjnym KE do konstrukcji obiektu (ściana, posadzka, strop). Montaż z profilem konstrukcyjnym KE do konstrukcji z profili. Tworzenie różnorodnych konstrukcji (typu bramka) lub przestrzennych, mocowanych do konstrukcji obiektu (ściana, posadzka, strop) lub do innych konstrukcji z profili KE
Sposób montażu: Zamontowany na zewnątrz profilu KE element systemu CERTA przykręcany jest przez otwory podłużne (w stopie elementu) śrubami samogwintującymi XPCSPM10X21 wkręcanymi w otwory okrągłe Ø9,1mm w profilu. Jeden otwór przeznaczony jest tylko dla jednej śruby samogwintującej. Ilość śrub użytych do montażu uzależniona jest od rodzaju instalowanego wyrobu. Śrubę XPCSPM10X21 dokręcać z momentem 60 Nm. Do łącznika zamontowanego wewnątrz profilu zastosować po dwie śruby naprzeciw siebie.






