Dodaj produkty podając kody
Dodaj plik CSV
Wpisz kody produktów, które chcesz zbiorczo dodać do koszyka (po przecinku, ze spacją lub od nowej linijki).
Powtórzenie wielokrotnie kodu, doda ten towar tyle razy ile razy występuje.
Oferowane przez Magnaplast rury polietylenowe przeznaczone są do budowy podziemnych instalacji wodociągowych rozprowadzających zimną wodę pitną.
Marka
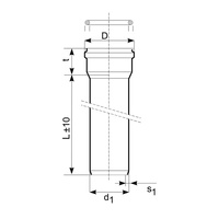
Symbol
62451623
Rodzaj towaru
Łączniki wodociągowe
EAN
4052836963024
Kod producenta
451623
Strona www producenta
www.magnaplast.pl
Zapytaj o produkt




















