Dodaj produkty podając kody
Dodaj plik CSV
Wpisz kody produktów, które chcesz zbiorczo dodać do koszyka (po przecinku, ze spacją lub od nowej linijki).
Powtórzenie wielokrotnie kodu, doda ten towar tyle razy ile razy występuje.
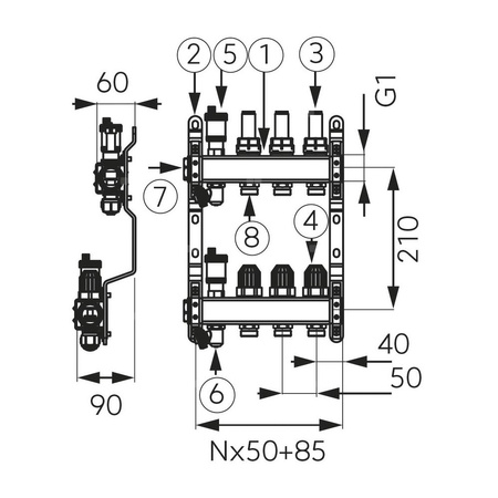
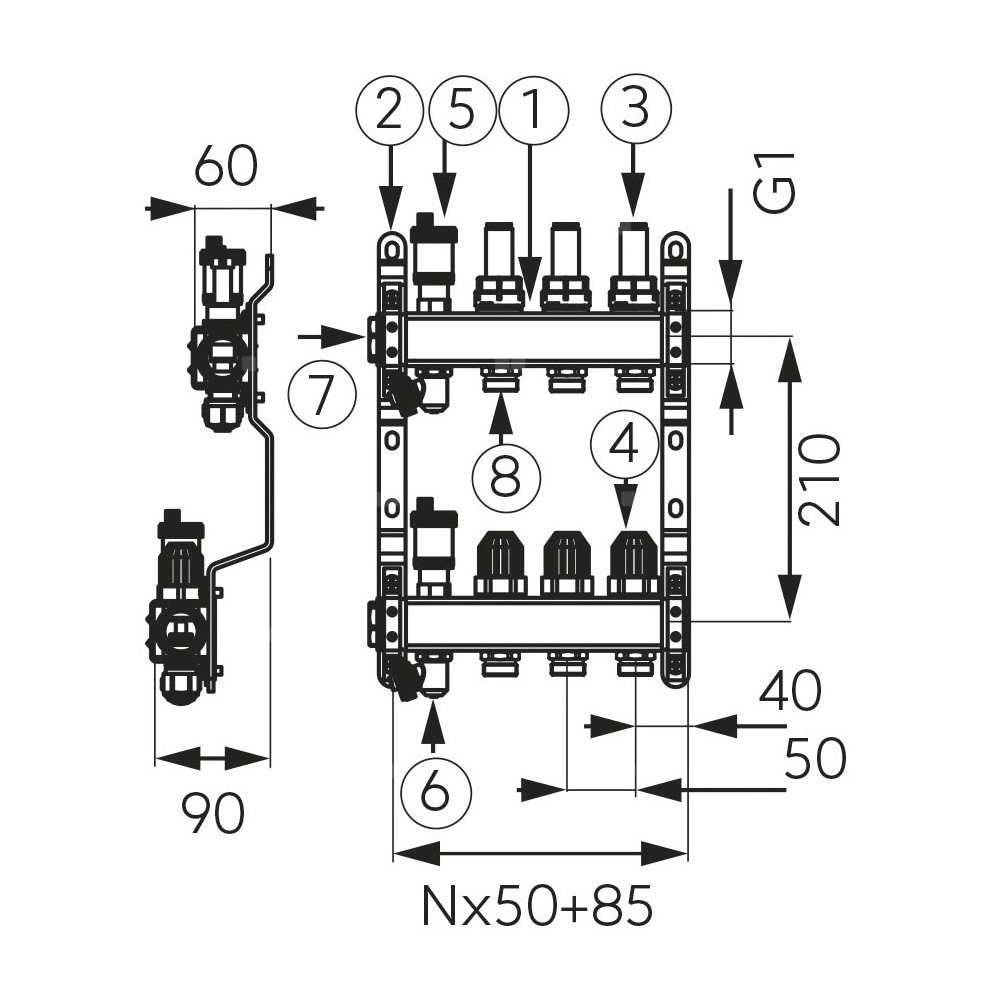
Przeznaczony jest do instalacji ogrzewania płaszczyznowego. Składa się z dwóch belek, zasilającej i powrotnej, precyzyjnie wykonanych z wysokiej jakości stali nierdzewnej AISI 304. Zapewnia to odporność na korozję i gwarancję długiej oraz bezawaryjnej pracy. Urządzenie umożliwia podłączenie od 2 do 12 obwodów instalacji. Wyposażone jest m.in. w przepływomierze do regulacji przepływów, zawory termostatyczne z pokrętłami do ręcznej regulacji z możliwością podłączenia głowicy termoelektrycznej, automatyczne
Marka
Symbol
K5SN-RZPU04S
Seria
Rodzaj towaru
Rozdzielacze
EAN
5902194969406
Kod producenta
SN-RZPU04S
Długość towaru w centymetrach
40
Wysokość towaru w centymetrach
11
Szerokość towaru w centymetrach
36
Strona www producenta
www.ferro.pl
Zapytaj o produkt




















