Dodaj produkty podając kody
Dodaj plik CSV
Wpisz kody produktów, które chcesz zbiorczo dodać do koszyka (po przecinku, ze spacją lub od nowej linijki).
Powtórzenie wielokrotnie kodu, doda ten towar tyle razy ile razy występuje.
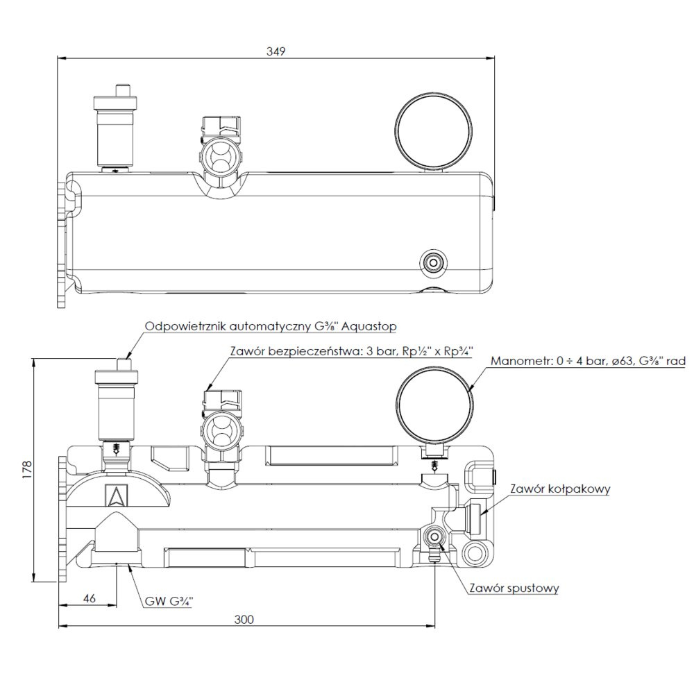
Korpus wykonany jako odlew bez łączeń.
Manometr i odpowietrznik wyposażone w zawory montażowe.
Zawór rewizyjny i spustowy.
Izolacja termiczna.
Zastosowanie
Stosowana w zamkniętych instalacjach grzewczych.Montowana na ścianie w bezpośredniej bliskości zabezpieczanego urządzenia.
Chroni przed nadmiernym wzrostem ciśnienia.
Odpowietrza instalację.
Umożliwia kontrolę ciśnienia.
Służy do zamontowania naczynia przeponowego o pojemności do 25 l.
Zastosowanie
Stosowana w zamkniętych instalacjach grzewczych.Montowana na ścianie w bezpośredniej bliskości zabezpieczanego urządzenia.
Chroni przed nadmiernym wzrostem ciśnienia.
Odpowietrza instalację.
Umożliwia kontrolę ciśnienia.
Służy do zamontowania naczynia przeponowego o pojemności do 25 l.
Filmy
Marka
Symbol
8077932
Rodzaj towaru
Zabezpieczenie instalacji
EAN
4016203779328
Kod producenta
77932
Ze wskaźnikiem ciśnienia / manometrem
1
Nominalna średnica wewnętrzna
3/4''
Połączenie 1
Gwint wewnętrzny
Połączenie 2
Gwint wewnętrzny
Maks. ciśnienie pracy [bar]
3
Długość towaru w centymetrach
19
Wysokość towaru w centymetrach
11
Szerokość towaru w centymetrach
38.5
Strona www producenta
www.afriso.pl
Zapytaj o produkt







