Dodaj produkty podając kody
Dodaj plik CSV
Wpisz kody produktów, które chcesz zbiorczo dodać do koszyka (po przecinku, ze spacją lub od nowej linijki).
Powtórzenie wielokrotnie kodu, doda ten towar tyle razy ile razy występuje.
|
charakterystyka
|
opakowanie - ilość szt.
|
masa jedn.
|
nr kat.
|
|||||||||||
|
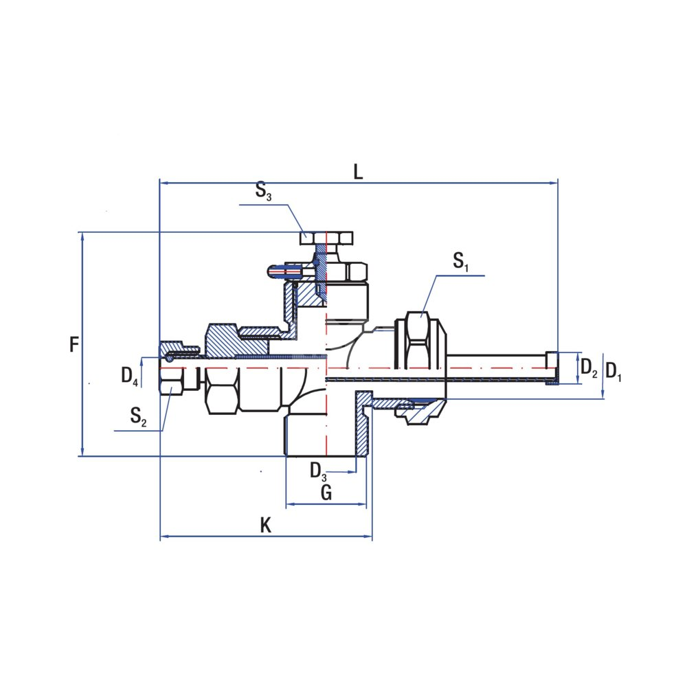
G
|
L
|
K
|
F
|
D1
|
D2
|
D3
|
D4
|
S1
|
S2
|
S3
|
woreczek
|
karton
|
kg
|
|
|
3/4"
|
121
|
65
|
69
|
18
|
10
|
18
|
6
|
27
|
14
|
14
|
5
|
20
|
0,300
|
9090014
|
|
3/4"
|
121
|
65
|
69
|
22
|
10
|
18
|
6
|
32
|
14
|
14
|
5
|
20
|
0,330
|
9090015
|
|
-
|
121
|
65
|
62
|
18
|
10
|
18
|
6
|
27
|
14
|
14
|
5
|
20
|
0,310
|
9090039
|
|
-
|
121
|
65
|
62
|
22
|
10
|
22
|
6
|
32
|
14
|
14
|
5
|
20
|
0,340
|
9090016
|
|
1/2"
|
171
|
65
|
69
|
18
|
10
|
18
|
6
|
27
|
14
|
14
|
5
|
15
|
0,280
|
90900145
|
|
1/2"
|
171
|
65
|
69
|
22
|
10
|
18
|
6
|
32
|
14
|
14
|
5
|
15
|
0,290
|
90900155
|
|
-
|
171
|
65
|
62
|
18
|
10
|
18
|
6
|
27
|
14
|
14
|
5
|
15
|
0,320
|
90900395
|
|
-
|
171
|
65
|
62
|
22
|
10
|
22
|
6
|
32
|
14
|
14
|
5
|
15
|
0,340
|
90900165
|
|
1/2"
|
221
|
65
|
69
|
18
|
10
|
18
|
6
|
27
|
14
|
14
|
5
|
15
|
0,290
|
90900142
|
|
1/2"
|
221
|
65
|
69
|
22
|
10
|
18
|
6
|
32
|
14
|
14
|
5
|
15
|
0,300
|
90900152
|
|
-
|
221
|
65
|
62
|
18
|
10
|
18
|
6
|
27
|
14
|
14
|
5
|
15
|
0,330
|
90900392
|
|
-
|
221
|
65
|
62
|
22
|
10
|
22
|
6
|
32
|
14
|
14
|
5
|
15
|
0,250
|
90900162
|
Marka
Symbol
C290900155
Rodzaj towaru
Zawory grzejnikowe
EAN
5900000222172
Kod producenta
90900155
Rozmiar połączenia rurowego
FI 22
Strona www producenta
www.rumet.pl
Zapytaj o produkt




























