Dodaj produkty podając kody
Dodaj plik CSV
Wpisz kody produktów, które chcesz zbiorczo dodać do koszyka (po przecinku, ze spacją lub od nowej linijki).
Powtórzenie wielokrotnie kodu, doda ten towar tyle razy ile razy występuje.
|
charakterystyka
|
opakowanie - ilość szt.
|
masa jedn.
|
nr kat.
|
|||||||||
|
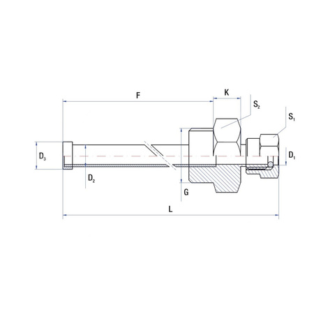
G
|
L
|
F
|
K
|
D1
|
D2
|
D3
|
S1
|
S2
|
woreczek
|
karton
|
kg
|
|
|
1/2"
|
69
|
50
|
6
|
6
|
8
|
10
|
14
|
24
|
10
|
90
|
0,060
|
9090001
|
|
1/2"
|
89
|
70
|
6
|
6
|
8
|
10
|
14
|
24
|
10
|
80
|
0,070
|
9090103
|
|
1/2"
|
119
|
100
|
6
|
6
|
8
|
10
|
14
|
24
|
10
|
70
|
0,070
|
9090003
|
|
1/2"
|
139
|
120
|
6
|
6
|
8
|
10
|
14
|
24
|
10
|
70
|
0,070
|
9090026
|
|
1/2"
|
169
|
150
|
6
|
6
|
8
|
10
|
14
|
24
|
10
|
90
|
0,070
|
9090005
|
|
1/2"
|
219
|
200
|
6
|
6
|
8
|
10
|
14
|
24
|
-
|
1
|
0,080
|
9090104
|
|
1/2"
|
269
|
250
|
6
|
6
|
8
|
10
|
14
|
24
|
-
|
1
|
0,080
|
9090105
|
|
1/2"
|
319
|
300
|
6
|
6
|
8
|
10
|
14
|
24
|
-
|
1
|
0,090
|
9090106
|
|
1/2"
|
69
|
50
|
6
|
8
|
10
|
12
|
14
|
24
|
10
|
90
|
0,070
|
9090200
|
|
1/2"
|
89
|
70
|
6
|
8
|
10
|
12
|
14
|
24
|
10
|
80
|
0,070
|
9090201
|
|
1/2"
|
119
|
100
|
6
|
8
|
10
|
12
|
14
|
24
|
10
|
70
|
0,080
|
9090202
|
|
1/2"
|
169
|
150
|
6
|
8
|
10
|
12
|
14
|
24
|
10
|
60
|
0,080
|
9090203
|
|
1/2"
|
219
|
200
|
6
|
8
|
10
|
12
|
14
|
24
|
10
|
60
|
0,090
|
9090204
|
|
1/2"
|
269
|
250
|
6
|
8
|
10
|
12
|
14
|
24
|
-
|
1
|
0,090
|
9090205
|
|
1/2"
|
319
|
300
|
6
|
8
|
10
|
12
|
14
|
24
|
-
|
1
|
0,100
|
9090206
|
Marka
Symbol
C29090201
Rodzaj towaru
Łączniki gwintowane z brązu i mosiądzu
EAN
5900000061368
Kod producenta
9090201
Średnica wewnętrzna [mm]
8
Długość wkładki [mm]
70
Model
z dławicą - lutowana
Nominalna średnica wewnętrzna połączenia
1/2''
Strona www producenta
www.rumet.pl
Zapytaj o produkt











