Dodaj produkty podając kody
Dodaj plik CSV
Wpisz kody produktów, które chcesz zbiorczo dodać do koszyka (po przecinku, ze spacją lub od nowej linijki).
Powtórzenie wielokrotnie kodu, doda ten towar tyle razy ile razy występuje.
|
charakterystyka
|
opakowanie - ilość szt.
|
masa jedn.
|
nr kat.
|
|||||||
|
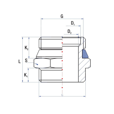
G
|
L
|
D1
|
D2
|
S
|
K1
|
K2
|
woreczek
|
karton
|
kg
|
|
|
1"
|
34
|
26
|
23
|
8kt37
|
10
|
15
|
10
|
50
|
0,120
|
0700-6
|
Marka
Symbol
C20700-6
Rodzaj towaru
Łączniki gwintowane z brązu i mosiądzu
EAN
5900000220888
Kod producenta
0700-6
Długość [mm]
34
Materiał połączenia 1
Mosiądz
Model/kształt/forma
Prosty
Model
Jednoczęściowy
Znamionowa średnica wewnętrzna połączenia 1
1''
Połączenie 1
Gwint zewnętrzny
Znamionowa średnica wewnętrzna połączenia 2
1''
Połączenie 2
Gwint zewnętrzny
Z uszczelką
1
Rodzaj złącza
Nypel
Strona www producenta
www.rumet.pl
Zapytaj o produkt













