Dodaj produkty podając kody
Dodaj plik CSV
Wpisz kody produktów, które chcesz zbiorczo dodać do koszyka (po przecinku, ze spacją lub od nowej linijki).
Powtórzenie wielokrotnie kodu, doda ten towar tyle razy ile razy występuje.
|
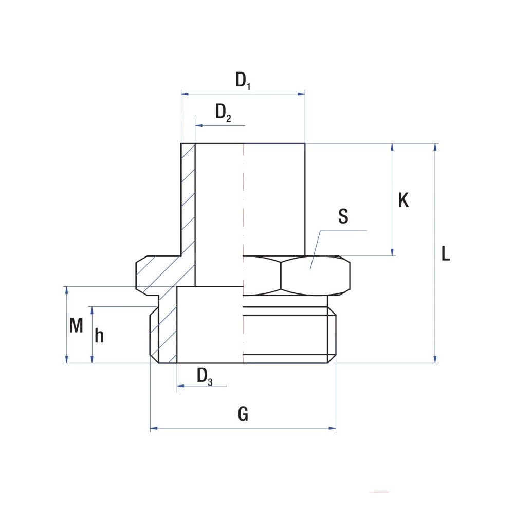
charakterystyka
|
opakowanie - ilość szt.
|
masa jedn.
|
nr kat.
|
|||||||||
|
G
|
L
|
K
|
h
|
D1
|
D2
|
D3
|
M
|
S
|
woreczek
|
karton
|
kg
|
|
|
1/2"
|
39
|
20
|
10
|
15
|
10
|
-
|
-
|
24
|
10
|
150
|
0,070
|
9150015
|
|
1/2"
|
39
|
20
|
10
|
22
|
17
|
14
|
14
|
27
|
10
|
120
|
0,060
|
9190016
|
|
3/4"
|
39
|
20
|
10
|
15
|
10
|
20
|
15
|
27
|
10
|
130
|
0,060
|
9190018
|
|
3/4"
|
39
|
20
|
10
|
22
|
17
|
-
|
-
|
27
|
10
|
100
|
0,080
|
9190020
|
|
1"
|
39
|
20
|
10
|
22
|
17
|
-
|
-
|
34
|
5
|
70
|
0,120
|
9190021
|
Marka
Kod IK
Symbol
C29190020
Rodzaj towaru
Łączniki gwintowane z brązu i mosiądzu
EAN
5900000220499
Kod producenta
9190020
Znamionowa średnica wewnętrzna połączenia 1
3/4''
Połączenie 1
Gwint zewnętrzny
Znamionowa średnica wewnętrzna połączenia 2
22 mm
Połączenie 2
LZ
Rodzaj złącza
Nypel do lutu pod uszczelkę
Strona www producenta
www.rumet.pl
Zapytaj o produkt
Napisz swoją opinię








