Dodaj produkty podając kody
Dodaj plik CSV
Wpisz kody produktów, które chcesz zbiorczo dodać do koszyka (po przecinku, ze spacją lub od nowej linijki).
Powtórzenie wielokrotnie kodu, doda ten towar tyle razy ile razy występuje.
Unikalne cechy produktu:
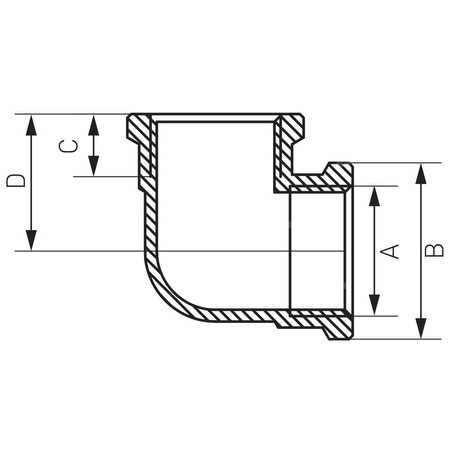
Kolano nakrętno-nakretnę G3/4 wykonany z mosiadzu CW617N. Maksymalna temperatura pracy 95°C maksymalne ciśnienie pracy 10 bar
Dane techniczne:
- Kod kreskowy: opakowanie z kodem kreskowym umożliwiającym sprzedaż detaliczną
- Materiał korpusu/materiał wykonania: mosiądz
- Przyłącze: G3/4
- Rodzaj przyłączenia: nakrętno-wkrętny
- Wymiar A: G3/4MarkaSymbolK5K04ZSeriaRodzaj towaruŁączniki gwintowane z brązu i mosiądzuEAN5902194929363Kod producentaK04ZKąt łuku [°]90Materiał połączenia 1MosiądzZnamionowa średnica wewnętrzna połączenia 13/4''Połączenie 1Gwint wewnętrznyPołączenie 2Gwint wewnętrznyGłówny kolor złączaŻółtyRodzaj złączaKolanoDługość towaru w centymetrach4.5Wysokość towaru w centymetrach3.5Szerokość towaru w centymetrach4.5Strona www producentawww.ferro.plZapytaj o produkt









