Dodaj produkty podając kody
Dodaj plik CSV
Wpisz kody produktów, które chcesz zbiorczo dodać do koszyka (po przecinku, ze spacją lub od nowej linijki).
Powtórzenie wielokrotnie kodu, doda ten towar tyle razy ile razy występuje.
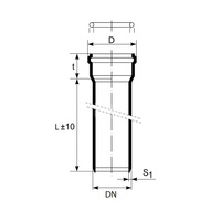
Ścianka rury zbudowana jest z dwóch warstw: warstwy wewnętrznej - gładkiej, zewnętrznej - karbowanej. Obie warstwy połączone są ze sobą molekularnie w procesie wytłaczania, tworząc litą konstrukcję.
Marka
Symbol
6285029
Rodzaj towaru
Rury do kanalizacji wewnętrznej
EAN
4052836973764
Kod producenta
85029
Średnica zewnętrzna rury [mm]
300
Materiał
PP
Klasa sztywności obwodowej
SN10
Z kielichem
1
Długość [mm]
3000
Bez uszczelki
1
Strona www producenta
www.magnaplast.pl
Zapytaj o produkt





















