Dodaj produkty podając kody
Dodaj plik CSV
Wpisz kody produktów, które chcesz zbiorczo dodać do koszyka (po przecinku, ze spacją lub od nowej linijki).
Powtórzenie wielokrotnie kodu, doda ten towar tyle razy ile razy występuje.
Unikalne cechy produktu:
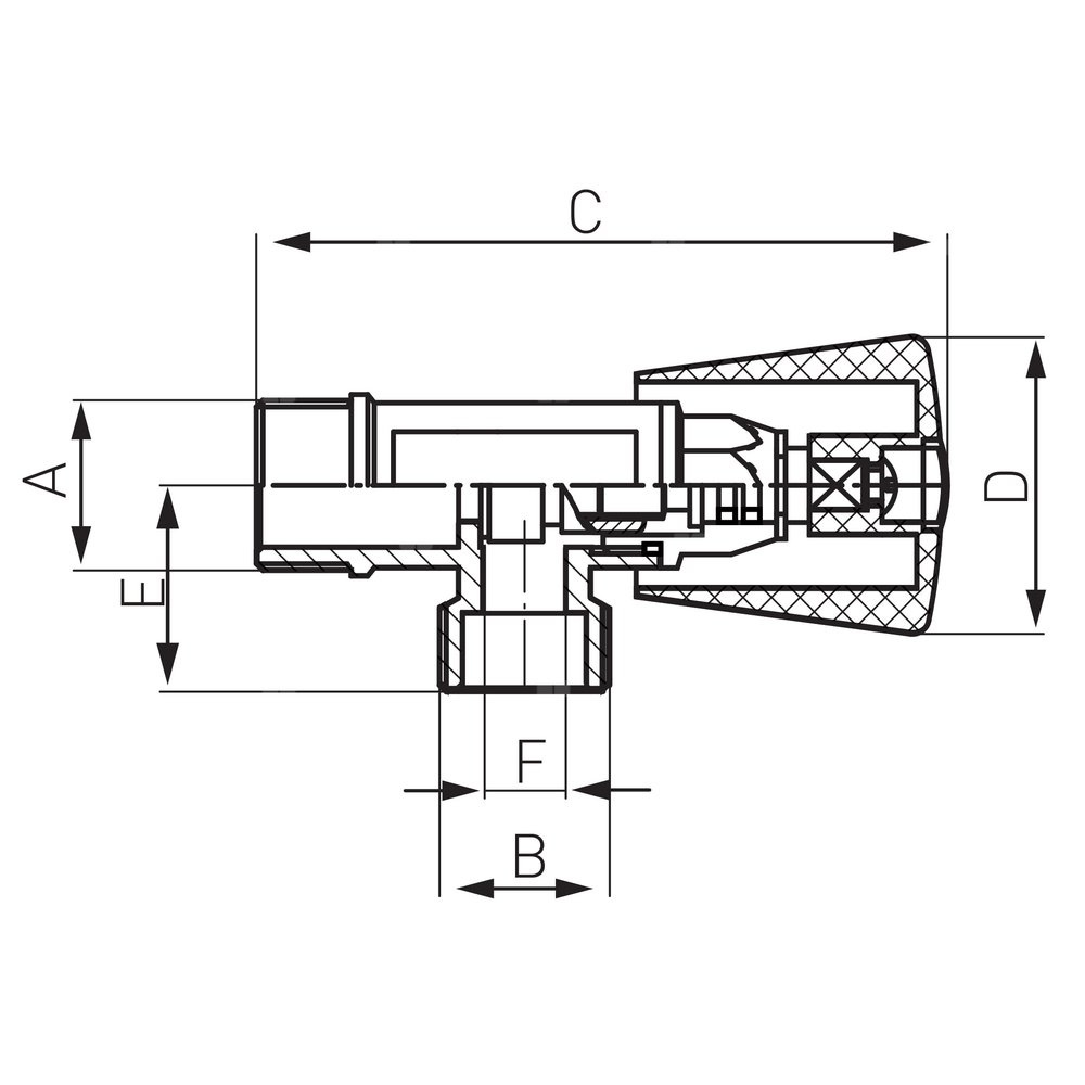
Wytrzymały korpus wykonany jest z mosiądzu CW617N, a jego powierzchnie wewnętrzne przystosowane są do wody pitnej. Głowica grzybkowa umożliwia regulację przepływu.
Dane techniczne:
- Ciśnienie nominalne: 10 bar
- Kod kreskowy: opakowanie z kodem kreskowym umożliwiającym sprzedaż detaliczną
- Kolor uchwytu: chrom
- Media: woda
- Rodzaj przyłączenia:
Marka
Symbol
K5Z240
Seria
Rodzaj towaru
Zawory do wody
EAN
5901095606304
Kod producenta
Z240
Rozmiar połączenia zasilającego
1/2''
Nominalna średnica wewnętrzna odpływu
3/8''
Rodzaj połączenia zasilającego
Gwint zewnętrzny
Rodzaj połączenia odpływu
Gwint zewnętrzny
Długość towaru w centymetrach
9
Wysokość towaru w centymetrach
4
Szerokość towaru w centymetrach
6
Strona www producenta
www.ferro.pl
Zapytaj o produkt






















