Dodaj produkty podając kody
Dodaj plik CSV
Wpisz kody produktów, które chcesz zbiorczo dodać do koszyka (po przecinku, ze spacją lub od nowej linijki).
Powtórzenie wielokrotnie kodu, doda ten towar tyle razy ile razy występuje.
Unikalne cechy produktu:
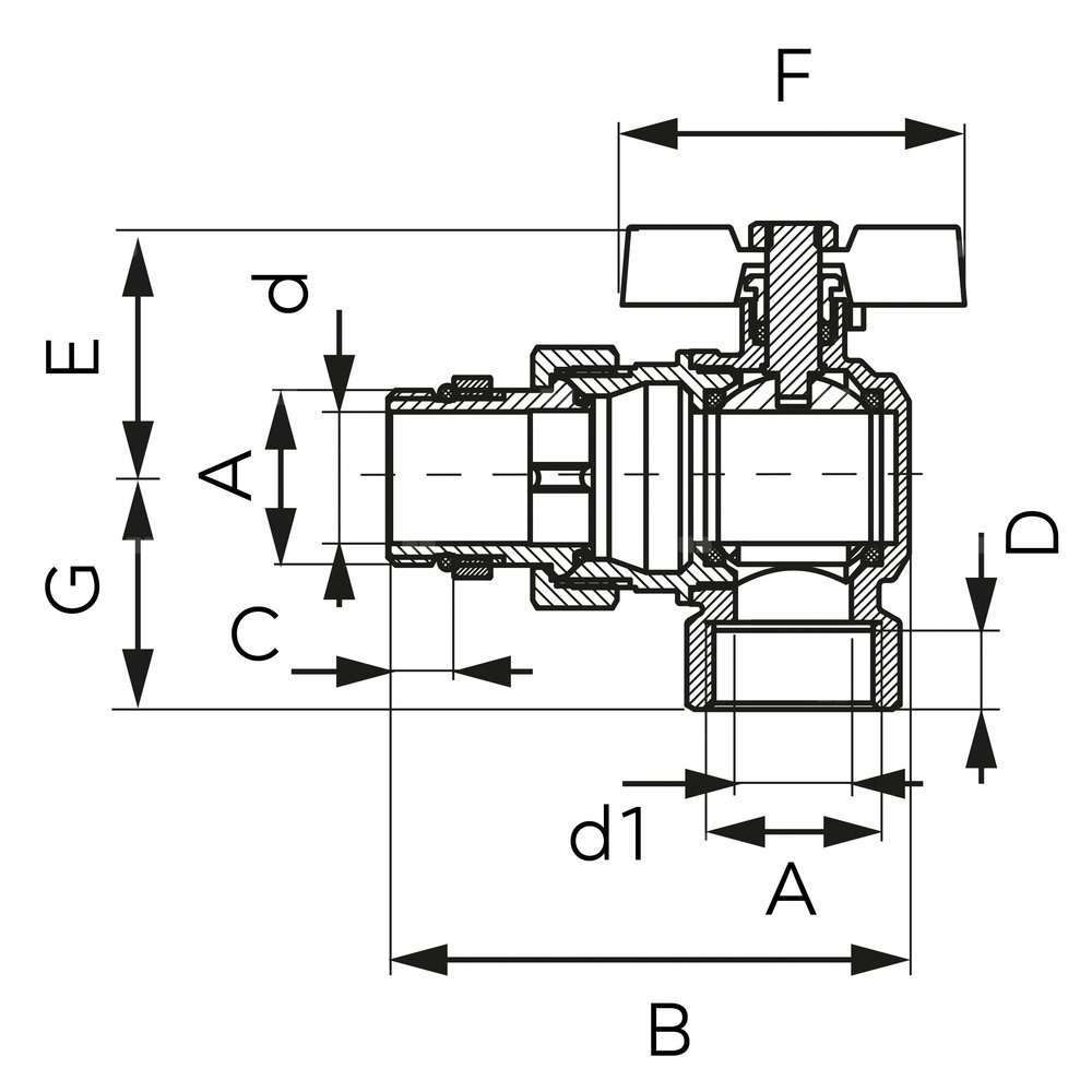
Wytrzymały korpus wykonany z mosiądzu CW617N-4MS o obniżonej zawartości ołowiu oraz niklu. Nickel free - powierzchnie kontaktu z czynnikiem nie są niklowane. Wyposażone w innowacyjne rozwiązania ułatwiające sprzedaż, montaż i użytkowanie - wymienne opaski do oznaczenia miejsca montażu (woda ciepła/zimna lub zasilanie/powrót), etykiety w postaci zawieszek montowanych pod rączką zaworu, zawierające podstawowe informacje o produkcie. Zaprojektowane przy użyciu Advanced Body
Marka
Symbol
K5KFPS3A
Rodzaj towaru
Zawory do wody
EAN
5902194993272
Kod producenta
KFPS3A
Znamionowa średnica wewnętrzna połączenia 1
1''
Połączenie 1
Gwint zewnętrzny
Znamionowa średnica wewnętrzna połączenia 2
1''
Połączenie 2
Gwint wewnętrzny
Model
Kątowy
Uchwyt
motylek
Strona www producenta
www.ferro.pl
Zapytaj o produkt












